Recherchez sur le site !
Recherche avancée / SpécifiqueCatégories publications
+ Sciences De La Terre - Archéologie - Astronomie - Spéléologie - Ecologie - Pédologie - Volcanologie - L'hydrogéologie - Géomorphologie - Minéralogie - Pétrologie - Paléontologie - Géologie + Climatologie - Réchouffement climatique - Changement climatique + Plantes - Plantes Aromatiques - Plantes médicinales + Zoologie - Faunes + Botanique - Flors + Sciences humaines - Géo Eco Tourisme - L’anthropologie - L'Histoire - Démographie - Sociologie - Géographie - Patrimoine culturel
Géo éco tourisme inclusif

Géoparc et Recherche Scientifique
Le coins de l’étudiant



Blog Géoparc Jbel Bani

APPARITION ET DIVERSIFICATION DE LA VIE DANS LES MERS ANCIENNES DU SUD MAROCAIN
APPARITION ET DIVERSIFICATION DE LA VIE DANS LES MERS ANCIENNES DU SUD MAROCAIN Par FADLI Driss 1, Charrière André2 & El Wartiti Mohamed 1 1 Faculté des Sciences de l’Université Mohammed V Agdal, Rabat. 226 rue J.-P. Chabrol, 34740 Vendargues, France. E-mail 1: dfadli@yahoo.fr; E-mail 2: andre.charriere73@orange.fr; E-mail1: wartiti@hotmail.fr Mots clés : P
Savoir plus...
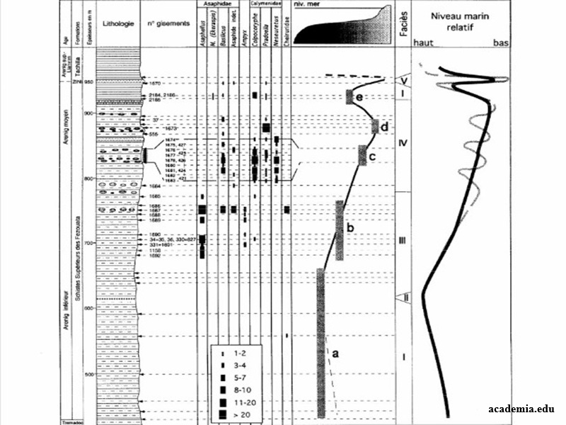
Le modèle des biofaciès à Trilobites : un test dans l'Ordovicien inferieur de l'Anti-Atlas, Maroc
Le modèle des biofaciès à Trilobites : un test dans l'Ordovicien inferieur de l'Anti-Atlas, Maroc Muriel Vidal Géosciences, UPR 4661, université de Rennes I, 35042 Rennes cedex, France Abstract- The faunal analysis of the Upper Fezouata Shales Formation (Arenig, central Anti-Atlas, Morocco) shows five distinct associations, one of graptolites and four of trilobite
Savoir plus...Dictionnaire scientifique
Plus de 123.000 mots scientifiques
Les publications
Géo parc Jbel Bani

Circuits & excursions touristiques

cartothéques


Photothéques
Publications & éditions

